HEA profil 300
Popis
DOPRAVA: individuálni kalkulace ceny dopravy ODBĚRNÉ MÍSTO: Brno - Horní Heršpice
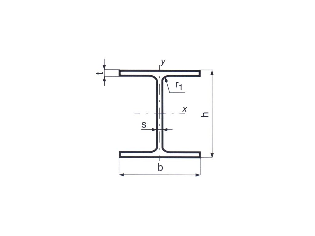
HEA profily jsou za tepla válcované profily průřezu H. HEA profily jsou používány především ve stavebnictví a pro výrobu ocelových konstrukcí.
Dělení na míru:
Standardní délka I profilu je 12 m. Pokud si přejete HEA profily nařezat, přidejte do košíku součet metrů jednotlivých kusů a při dokončení objednávky uveďte do pole poznámka počet a délky jednotlivých kusů.
Např.: HEA 100 = 1x 3m; 2x 3,25m; I 180 = 2x 5,5m
Podobné produkty
| Hmotnost | 90 kg/m |
| Výška (h) | 290 mm |
| Šířka (b) | 300 mm |
| Tloušťka stojiny (s) | 8,5 mm |
| Zn. materiálu | S235JR |
Buďte první, kdo napíše příspěvek k této položce.
Přidat komentář
